Bài viết này sẽ hướng dẫn đo điện cơ bản cho bạn. Những bước chuẩn bị khi đo lường điện. Những điều cần chú ý khi sử dụng thiết bị đo điện. Mời đón đọc.
Hướng dẫn điện 1 – Đo lường điện cơ bản
| Nội dung Đo lường Sơ đồ mạch dòng điện và hao hụt Tiềm năng khác biệt Nguồn điện áp Đo điện trở Đo lượng điện Mét |
Dụng cụ đo điện, thiết bị đo lường điện
Trong phần hướng dẫn đo điện cơ bản, trước hết bạn cần chuẩn bị. Các dụng cụ được sử dụng nhiều nhất cho các nhà vật lý và kỹ sư điện là vôn kế và ampe kế . Với những điều này, chúng ta có thể đo trực tiếp:
- Khác biệt tiềm năng (hoặc điện áp)
- dòng điện .
Sau đó chúng tôi có thể sử dụng dữ liệu để nhận:
- điện trở (volts ÷ amps);
- Công suất (volts × amps).
Các đồng hồ vạn năng thường được sử dụng, vì nó có thể đo điện áp và dòng điện (nhưng không phải cùng một lúc).
Lưu ý rằng có một đồng hồ đo tương tự (một mét có thang đo) và một đồng hồ kỹ thuật số (một đồng hồ nơi đọc ra là một số). Điều quan trọng là bạn học cách sử dụng các công cụ này một cách chính xác trong công việc thực tế của bạn. Nếu nghi ngờ, hãy hỏi giáo viên của bạn. dòng điện được đo bằng một ampe kế, được nối dây với bộ phận. Vôn kế được nối song song với thành phần.
Sơ đồ mạch
Sơ đồ trên là sơ đồ mạch . Nó cho thấy cách các thành phần được kết nối với nhau. Nó sử dụng các ký hiệu chuẩn mà tất cả các kỹ sư điện sẽ hiểu. Bạn không phải là một nghệ sĩ để vẽ một nghệ sĩ, nhưng hãy làm theo các quy tắc đơn giản sau:
- Sử dụng bút chì và thước kẻ;
- Vẽ các đường theo chiều ngang và chiều dọc;
- Đảm bảo rằng tất cả các thành phần đều có, bao gồm cả nguồn điện;
- Sử dụng các ký hiệu chính xác;
- Nơi có các mối nối (dây nối với nhau), có một vòng tròn màu đen, đại diện cho một đốm màu của hàn.
Bạn biết rằng dù sao, phải không?
Có một tài liệu hiển thị tất cả các ký hiệu thường được sử dụng. Đây là tệp .pdf và bạn có thể truy cập nó TẠI ĐÂY .
Trong tài liệu được xử lý văn bản, hãy sử dụng đồ họa để tạo ra sơ đồ mạch nếu bạn có thể.
dòng điện và đơn vị đo
Lượng điện cơ bản là dòng điện , dòng điện tích. Tất cả các đại lượng điện khác đều bắt nguồn từ nó. Dòng điện được đo bằng ampères hoặc amps (A).
Phí được đo bằng coulombs (C), được định nghĩa là: 1 coulomb là lượng điện tích được truyền qua một điểm nhất định nếu dòng điện 1 amp ổn định trong 1 giây.
1 C = 1 A s -1
Một đơn electron mang điện tích 1,6 × 10 -19 C .
1 coulomb tương đương với 6.2 ´ 10 18 electron. Sử dụng điều này thuận tiện hơn nhiều so với việc đếm các electron riêng rẽ. Bạn sẽ mua một túi 1 kg đường thay vì đếm tất cả các tinh thể trong đó.
Tất cả các khoản phí đều có tổng số bội số của phí điện tử, e .
| Câu hỏi 1 | Bạn nghĩ điện tử là gì? |
Phí và dòng điện được liên kết bởi một công thức đơn giản:
Phí (C) = dòng điện (A) ´ thời gian
Q = It
Trong giáo trình, công thức được viết bằng mã vật lý như sau:
Ký hiệu D là Delta, một chữ cái viết hoa của tiếng Hy Lạp ‘ D’ , có nghĩa là “thay đổi”.
Có một số nhân quan trọng cho dòng điện:
- 1 microamp (1 m A) = 1 ´ 10 -6 A
- 1 milliamp (mA) = 1 ´ 10 -3 A
Đây là những hữu ích khi chúng ta đang đối phó với các dòng nhỏ. Tuy nhiên, chúng ta phải nhớ chuyển đổi sang đơn vị SI để thực hiện các phép tính. Coi chừng cái bẫy gấu này!
| Câu hỏi 2 | Cho thấy rằng 1 coulomb là 6,2 ´ 10 18 electron. | |
| Câu hỏi 3 | Một khoản phí 1,24 C chảy trong khoảng thời gian 0,63 s. dòng điện là gì? |
Chênh lệch điện năng
Chênh lệch điện năng được định nghĩa là năng lượng trên một đơn vị điện tích được chuyển đến năng lượng hữu ích bởi mạch điện . Lực điện (Emf) là năng lượng trên mỗi đơn vị điện tích được cung cấp bởi nguồn tới mạch. Chúng ta sẽ xem xét điều này chi tiết hơn trong Hướng dẫn điện 8 .
Đơn vị của sự khác biệt tiềm năng là volt (V). Sử dụng định nghĩa, chúng ta có thể định nghĩa volt là Joules trên Coulomb.
1 V = 1 JC -1 .
Chênh lệch tiềm năng (V) = năng lượng được chuyển đổi (J)
Chênh lệch(C)
Trong mã vật lý, chúng ta viết:
Sự khác biệt tiềm năng thường được gọi là điện áp .
Thông thường hiện nay đi từ tích cực đến tiêu cực . Các electron mang năng lượng xung quanh mạch; chúng chuyển từ âmsang dương . Trong những ngày đầu, các nhà vật lý không biết về electron, đó là lý do tại sao họ đã sai tất cả. Việc sửa chữa sẽ đòi hỏi phải viết lại các Luật Vật lý phức tạp, một nhiệm vụ mà không ai có thể bị làm phiền để giải quyết. Vì vậy, tất cả các dòng thông thường là từ dương đến âm. Tất cả các dòng được xử lý như thông thường .
Nguồn điện áp
Ví dụ về các nguồn điện áp bao gồm:
- Pin xe hơi;
- Các tế bào khô;
- Các tế bào có thể sạc lại;
- Nguồn điện;
- Máy phát điện.
Một tế bào đơn thường cung cấp khoảng 1,5 volt. Một phòng thí nghiệm-pack có thể cung cấp 15 V, và một máy phát điện có thể cung cấp lên đến 25 000 V. Nếu không có một nguồn điện áp , dòng điện không thể chảy.
Nếu chúng ta kết nối các tế bào trong chuỗi, chúng ta có một pin của các tế bào. Pin dưới đây có bốn ô trong loạt . Điện áp của nó là 4 × 1,5 = 6 V.
Chúng ta có thể nối các tế bào song song . Điều này cho phép chúng tôi có được dòng điện cao hơn. Xe buýt nhỏ có thể có hai pin 12 V song song để cung cấp dòng điện lớn (1000 A) do động cơ khởi động cho động cơ diesel của nó.

Sự kết hợp của các tế bào này sẽ cho chúng ta một điện áp đầu ra là 3 V, chứ không phải 6 V. Chúng ta có thể nhận được gấp đôi dòng điện từ bộ ô này.
Sự kết hợp của các ô được hiển thị dưới đây cho ra một sự khác biệt tiềm năng là 4,5 V:

Điều này là do điện áp của sự kết hợp song song là 1,5 V
Hai ô trong kết hợp song song sẽ kéo dài gấp đôi, vì dòng điện sẽ được lấy một nửa từ hai ô.
Pin thường được đánh giá theo amp-giờ. Pin 1 amp giờ có thể phát ra 1 amp dòng điện trong 1 giờ. Phí chứa là:
Q = 1 A × 3600 s = 3600 C
| Câu hỏi 4 | Máy khoan không dây hoạt động bằng bộ pin 14.4 V. Pin được đánh giá ở mức 2 amp giờ có nghĩa là nó có thể cung cấp dòng điện của hai amps trong khoảng thời gian 1 giờ. Bao nhiêu năng lượng được giữ bởi pin? |
Điện trở
Điện trở là sức cản trở dòng chảy electron trong mạch điện trong một dây là sự phản đối của một dây dẫn đến dòng điện. Nó là do va chạm giữa các electron và các nguyên tử trong dây. Dây điện càng nóng thì càng có nhiều va chạm. Do đó các dây nóng có sức đề điện trở nhiều hơn. Công thức điện trở thuốc là:
Điện trở (ohms) = chênh lệch tiềm năng (vôn)
dòng điện (amps)
Trong mã vật lý, chúng ta viết nó là R = V / I
Hoặc phổ biến hơn:
V = IR
Đơn vị điện trở là ohm ( W ). (Biểu tượng kỳ lạ ‘ W ‘ là Omega , một chữ cái vốn của Hy Lạp dài Ō.)
Một đơn vị thay thế cho ohms là volt cho mỗi ampère :
1 W = 1 VA -1
Mời tìm hiểu máy đo điện trở Tenmars TM-508A của Tenmars.
| Câu hỏi 5 | Bạn hiểu gì về thuật ngữ mạch điện trở? | |||||||||||||||||
| Câu hỏi 6 | Sử dụng mạch dưới đây để trả lời các câu hỏi:![]()
|
Coi chừng những bẫy gấu trong tính toán điện:
|
Đo lường điện
Chúng ta có thể đo điện áp và dòng điện sử dụng mạch như thế này. Bạn sẽ quen thuộc với điều này từ GCSE, và bạn sẽ được dự kiến sẽ thiết lập nó như là một vấn đề của khóa học.

Các vôn kế là dây song song với các thành phần, và ampe kế được nối tiếp với các thành phần.
Thông thường chúng ta đối xử với các nhạc cụ hoàn hảo . Điều này có nghĩa rằng:
- Một ampe kế có điện trở không.
- Một vôn kế có điện trở vô hạn.
Trong thực tế một ampe kế có sức đề điện trở rất thấp nhưng có thể đo lường được. Thông thường chúng ta bỏ qua điều này.
Vôn kế tương tự có sức đề điện trở cao. Thông thường điều này có ít tác dụng, nhưng nếu chúng ta đo điện trở giá trị cao, dòng điện được thực hiện bởi vôn kế có thể làm thay đổi kết quả.
Một vôn kế kỹ thuật số có một sức đề điện trở rất cao thực sự, và có thể được coi là hoàn hảo.
Đồng hồ đo điện trở đã biết (A-level)
Loại vấn đề này có khả năng xuất hiện trong các giấy tờ A-level chứ không phải là cấp AS.
Một đồng hồ đo tương tự có thể được thực hiện để đo điện áp hoặc dòng điện bằng cách thêm một điện trở bên ngoài:
- Một ampe kế sử dụng một shunt , đó là một điện trở giá trị thấp kết nối song song;
- Một vôn kế sử dụng một số nhân , đó là một điện trở giá trị cao kết nối trong chuỗi.
Bạn không thể có hai trên cùng một lúc! Một đồng hồ điển hình được tìm thấy trong một phòng thí nghiệm trường học được hiển thị dưới đây:

Lưu ý rằng có các shunt riêng biệt cho AC và DC. Ngoài ra còn có một hệ số riêng biệt cho điện áp AC.
Hình ảnh cho thấy các điện trở shunt và điện trở số trong một vạn năng tương tự :

Điều tương tự cũng áp dụng cho các vạn năng số, nhưng các shunt và các số nhân không dễ nhận biết.
Vôn kế thực có sơ đồ mạch như sau:

Một vôn kế hoàn hảo có một sức đề điện trở vô hạn . Một vôn kế kỹ thuật số có sức đề điện trở rất cao, và có thể được coi là gần như hoàn hảo. Một vôn kế tương tự sẽ có điện trở khoảng 50 kilohms. Chúng tôi mô hình vôn kế của điện trở được biết đến như một vôn kế hoàn hảo song song với một điện trở đã biết :

Sơ đồ mạch cho biết đồng hồ được MODELED như thế nào.Hệ số thực sự là chuỗi trong chuỗi. |
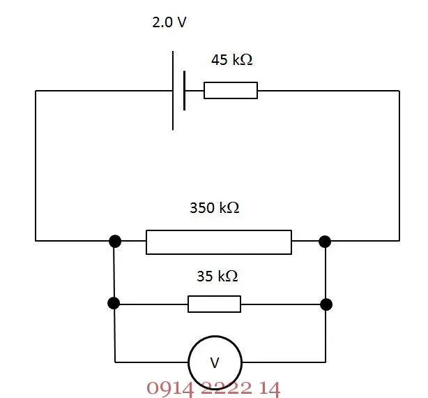
| Ví dụ đã làm việc Một vôn kế điện trở 35 k W được sử dụng để đo điện áp trên một điện trở 350 k W. Các nguồn cung cấp dòng điện có thể được mô hình hóa như một nguồn điện áp 2,0 V với một điện trở nội của 45 k W . (a) Điện áp trên điện trở 350 k W khi Vôn kế KHÔNG được kết nối là gì? (b) Điện áp thực sự được đọc từ đồng hồ là gì? |
| Câu trả lời Chúng tôi mô hình mạch như thế này: (a) Chúng ta cần tìm tổng điện trở của mạch: R = 45 000 W + 350 000 W = 395 000 W Làm việc dòng điện: I = 2,0 V ÷ 395 000 W = 5,06 × 10 -6 A Bây giờ làm việc ra điện áp trên điện trở 350 k W : V = 5,06 × 10 -6 A × 350 000 W = 1,77 V = 1,8 V (2 sf)
(b) Một vôn kế có điện trở đã biết được coi là một vôn kế hoàn hảo song song với một điện trở đã biết . Với vôn kế thêm mạch của chúng tôi trở thành:
Bây giờ chúng ta cần phải làm việc ra sự kết hợp song song của điện trở: R -1 = (350 000 W ) -1 + (35 000 W ) -1 = 31,4 × 10 -6 W -1 R = 31818 W Bây giờ mạch của chúng tôi với vôn kế hoàn hảo trở thành: Bây giờ chúng tôi làm việc ra tổng điện trở: R = 45 000 W + 31818 W = 76818 W Sau đó, chúng tôi có thể làm việc ra dòng điện: I = 2,0 V ÷ 76818 W = 26,04 × 10 -6 A Cuối cùng chúng tôi làm việc ra điện áp đọc bằng đồng hồ: V = 26,04 × 10 -6 A × 31818 W = 0,828 V = 0,83 V (2 sf) Lưu ý rằng làm tròn số liệu quan trọng thích hợp được thực hiện ở bước cuối cùng. |
Một ampe kế (ampe kìm) hoàn hảo không có điện trở. Trong khi chúng ta có thể nhận được một vôn kế rất gần như hoàn hảo với một dụng cụ kỹ thuật số, điều tương tự cũng không áp dụng cho một ampe kế. Luôn luôn có một sức đề điện trở nhỏ với ampe kế. Một ampe kế thực là một mét song song với một điện trở giá trị thấp gọi là shunt . Đôi khi bạn sẽ tìm thấy trong tài liệu tham khảo sách kỹ thuật để động cơ được shunt-vết thương. Điều này đơn giản có nghĩa là các cuộn dây rôto và các cuộn dây trường được nối song song.

Đồng hồ đang đọc điện áp trên điện trở shunt.
Chúng tôi mô hình ampe kế như một ampe kế hoàn hảo (tức là một với không có điện trở) trong loạt với một điện trở của điện trở được biết đến , như thế này:

| Câu hỏi 7 | (Thách thức – Sửa đổi điện trở bên trong của các tế bào trước khi thử cái này) Mạch cho thấy pin của EMF 20,0 V có một sức đề điện trở nội bộ của 0,45 W . Nó được kết nối với một điện trở 350 W. Sự khác biệt tiềm năng được đo bằng một vôn kế điện trở 35 k W , trong khi dòng điện được đo bằng một ampe kế điện trở 0.50 W . Mạch được hiển thị trong sơ đồ dưới đây:
(a) Cho thấy dòng điện từ tế bào là khoảng 58 mA. (b) Tính toán đọc vôn kế, được biết là được hiệu chuẩn chính xác. |
Sử dụng các giá trị này, không có sự khác biệt lớn so với việc sử dụng các đồng hồ lý tưởng. Tuy nhiên với điện trở giá trị rất cao, như trong ví dụ làm việc, sự khác biệt trở nên rõ ràng hơn.
Một vạn năng cũng có thể được sử dụng như một máy đo. Trong trường hợp này, đồng hồ có pin, và nó đo dòng điện. Tỷ lệ có điểm bằng không khi dòng tối đa được hiển thị. Khi dòng điện zero, điện trở là vô cùng.
Giới hạn là cho điện trở cao. Thử đo 7600 ohms với thang đo này.
Bạn đang xem bài viết hướng dẫn đo điện cơ bản. Trong bài sau ta cùng nhau tìm hiểu cách đo điện áp nhé.








